EBV-CMAP Manual And Motorized Butterfly Valves
The EBV butterfly valve series are suitable for the adjustment of cold or hot air flow in low pressure ducts.
Description
Overview:
The EBV-CMAP valves with ECON-O motor units
have a rnage of 0 ~ 90°. All the motor units have a manual command station, two auxiliary switches set at 10° and 80° and a signal for the feedback of the point reached. In particular, for the models with the open/close command, feedback takes place via an ohm resistor. While in the models with the proportional command a similar signal is available in volts.
Stock Unit Model Number:
- 20EBV-CMAP-24-4-20 (DN65)
Please send us an enquiry should you need a different configuration in the EBV-CMAP series.
CHARACTERISTICS
VALVE:
- Maximum working pressure: 210 mbar
- Maximum fluid temperature: 450°C
- Drawing capacity with closed valve: about 2%
- Available sizes: from DN65 PN16 to DN150 PN16
- Coupling flanges: excluded
- Flange gaskets: excluded
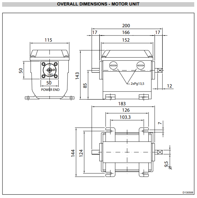
ELECTRIC MOTOR UNIT:
- Model: ECON-O
- Couple: 20Nm (opzioni 4Nm/7Nm/15Nm)
- Voltage supply: 24/115/230Vac +10 ~ -5%
- Frequency supply: 50 ~ 60Hz
- Command signal: open/close or proportional
- Proportional command type: 0-10V 4-20mA (only for ECON-O 24 Vac)
- Functioning temperature: -10°C ~ +60°C
- Storage temperature: -20°C ~ +80°C
- Absorbtion: 7VA
- n° 2 auxiliary switch flow: 5A/250Vac
- Feedback resistor open/close mod.: nr.1 1000 Ohm
(options 150 Ohm/1000 Ohm/2500 Ohm) - Feedback signal proportional mod.: 0-10Vdc / 4-20mA
- Rotation angle: 90°
- Rotation period at 90°: 60 sec. (options from 7 sec. to 120 sec.)
- Lever shaft connection: panel 9,5 mm
- Control station AUTO-MAN: included
- Protection degree: IP54
- Mass: 2,5 Kg
- Electric cable inlet: nr. 2 threaded inlets PG 13,5
- Mounting position: any
- Work environment: Not appropriate in explosive or corrosive environments
MATERIAL COMPOSITION:
- Valve body: Cast iron G40
- Lens holder shaft: AISI316
- Valve disc: AISI304
- Manual activation lever: aluminium (M version)
- Motor unit case: die-cast aluminium
- Motor unit support plate: Fe360
- Motor unit coupling rod: Fe360
Applications:
- Air and fume flow adjustment.
- Air interception.
- Air and fume partializing.
- Manual control or with electric motor unit.








